JavaScript seems to be disabled in your browser. For the best experience on our site, be sure to turn on Javascript in your browser.
Condition: Remanufactured
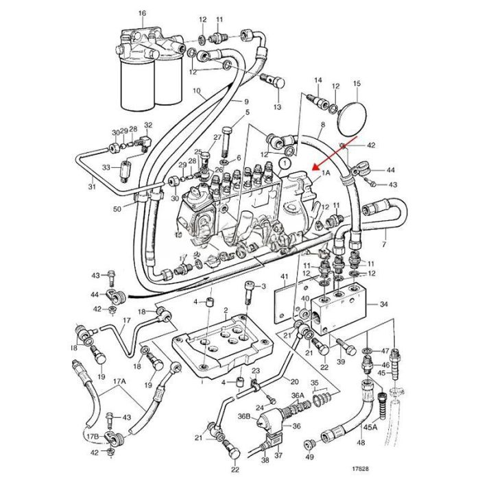
Replace Part Number: 3830102, 0402646687
Fit for Engine: Volvo Penta TAMD63L-A, TAMD63P-A