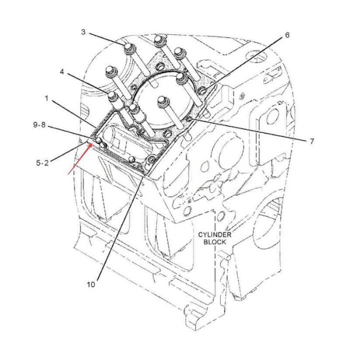
Caterpillar Cylinder Head Gasket 1106991 Compatible for Caterpillar CAT Engine 3508 3512 3516 Excavator 5130 5230 Tractor 776C 776D 784B 784C
$49.00
In stock
SKU
ESPCYLINDERHG606
Applications:
Caterpillar MINING EXCAVATOR: 5130, 5130B, 5230, 5230B PETROLEUM TRANSMISSION: TH48-E80, TH55-E70 POWER MODULE: 3516C, PM3508, PM3512, PM3516, PMG3516, PP3516, XQC1200, XQC1600 PUMPER: SPF343, SPF343C, SPS343, SPT343 TRACK-TYPE TRACTOR: D11N, D11R TRACTOR: 776C, 776D, 784B, 784C TRUCK: 777, 777B, 777C, 777D, 785, 785B, 785C, 785D, 789B, 789C, 793B, 793C, 793D, 797, 797B VEHICULAR ENGINE: 3508, 3512, 3516 WHEEL DOZER: 854G WHEEL LOADER: 992G, 994, 994D, 994F
Part Number: CA1106991, 110-6991, 1106991 Engine: Caterpillar G3508, G3508B, G3512, G3512B, G3516, G3516B, G3520B, 3508, 3508B, 3512, 3512B, 3516, 3516B, 3508C, 3512C, 3516C, G3512E, G3516C, G3516E, G3516H, G3520C, G3520E
Write Your Own Review